最新资讯
INFORMATION销售热线
021-67898067手机:19921478144
Q Q:1835273388
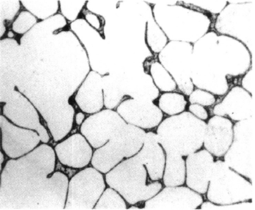
T1/T2(TU1)/TU2@紫铜性能
|
(a) (b)
|
|
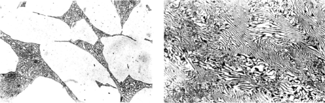
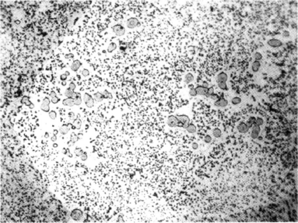
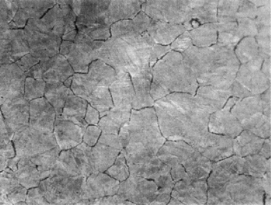
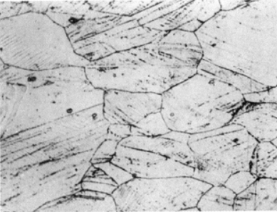
放大倍率:1/4× 合金牌号:TU1 工艺条件:半连续铸造Ø195mm圆锭,(a)铸造速度和冷却温度较(b)小 侵蚀剂:硝酸水溶液 组织说明:(a)全为柱状晶 (b)呈明显三晶层 |
|
(a) (b) |
|
放大倍率:1/4× 合金牌号:T2 工艺条件:半连续铸造Ø195mm圆锭 侵蚀剂:硝酸水溶液 组织说明:由于铸造工艺和冷却不均匀,造成结晶组织严重不均匀。 (a) 中心为细小等轴晶,其他部位为柱状晶, (b)中心为柱状晶,其他部位为等轴晶,局部有特别细小等轴晶 |
|
|
|
放大倍率:1/5× 合金牌号:T2 工艺条件:铁模铸造Ø360mm圆锭 侵蚀剂:硝酸水溶液 组织说明:自边部至中心全为发达的柱状晶 |
|
|
|
放大倍率:1/3× 合金牌号:T2 工艺条件:半连续铸造180mm×640mm扁锭 侵蚀剂:硝酸水溶液 组织说明:边部为较细柱状晶,中心为较粗等轴晶 |
|
|
|
放大倍率:1/3× 合金牌号:TU2 工艺条件:半连续铸造170mm×630mm扁锭 侵蚀剂:硝酸水溶液 组织说明:全部为细小等轴晶 |
|
|
|
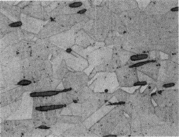
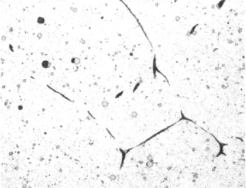
放大倍率:70× 合金牌号:T2 工艺条件:半连续铸造 侵蚀剂:硝酸高铁酒精溶液 组织说明:α单相固溶体,黑点系腐蚀产物 |
|
(a) (b) |
|
放大倍率:2/3× 合金牌号:T2 工艺条件:热挤压棒 侵蚀剂:硝酸水溶液 组织说明:(a)为挤压棒头部组织,再结晶晶粒明显。 (b)为挤压棒尾部组织,再结晶晶粒较细。边部加工率更大,晶粒也更细 |
|
|
|
放大倍率:120× 合金牌号:T2 工艺条件:850℃加热挤压Ø18mm棒 侵蚀剂:硝酸高铁酒精溶液 组织说明:α单相固溶体,明显的再结晶组织 |
|
(a) (b) |
|
放大倍率:120× 合金牌号:T2 工艺条件:Ø18mm冷拉棒 侵蚀剂:硝酸高铁酒精溶液 组织说明:(a)为棒材横向组织,可见晶粒发生歪扭。 (b)为棒材纵向组织,可见晶粒沿加工方向拉长、破碎及滑移带 |
|
|
|
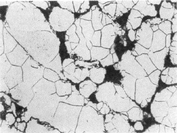
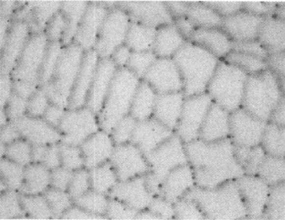
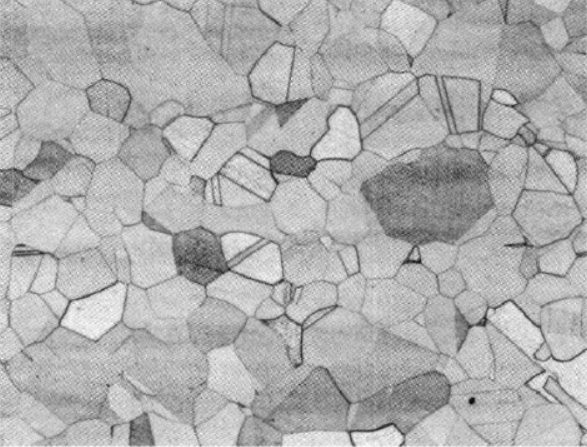
放大倍率:120× 合金牌号:T2 工艺条件:Ø18mm冷拉棒经600℃/30min保温退火 侵蚀剂:硝酸高铁酒精溶液 组织说明:变形组织经退火后已完全再结晶,晶粒平均直径为0.03mm |
|
|
|
放大倍率:120× 合金牌号:T2 工艺条件:厚12mm热轧板 侵蚀剂:硝酸高铁酒精溶液 组织说明:由于终轧温度较高,再结晶晶粒较大 |
|
(a)
(b)
(c) |
|
放大倍率:200× 合金牌号:T2 工艺条件:(a)冷轧板厚5.5mm,加工率54%; (b)冷轧板厚1.0mm,加工率85%; (c)冷轧板厚0.5mm,加工率95% 侵蚀剂:硝酸高铁酒精溶液 组织说明:随着冷加工率的不断增大,晶粒的变形及破碎愈严重,逐渐拉长为纤维状组织 |
|
(c) (d) |
|
放大倍率:120× 合金牌号:T2 工艺条件:0.5mm冷轧板经不同工艺退火后组织。 (a)350℃退火30min; (b)冷轧板于450℃退火30min; (c)冷轧板于又500℃退火30min; (d)冷轧板于700℃退火30min 侵蚀剂:硝酸高铁酒精溶液 组织说明:随着退火温度的提高,再结晶晶粒不断长大 |
|
|
|
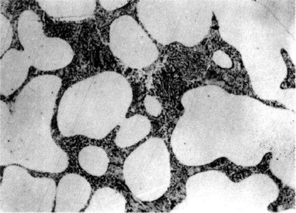
放大倍率:200× 合金牌号:紫铜 工艺条件:铸造 组织说明:α+(α+Cu2O)亚共晶组织,共晶体内黑点为Cu2O含氧量0.07%,偏光下Cu2O呈红宝石色 |
|
(a) (b)
(c) (d) |
|
放大倍率:200× 合金牌号:紫铜 工艺条件:铸造 侵蚀剂:未浸蚀 组织说明:紫铜铸造状态(a)、(b)、(c)、(d)的含氧分别为:0.015%、0.035%、0.09%、0.28%,共晶体的量依次增多。 |
|
|
|
放大倍率:200× 合金牌号:紫铜 工艺条件:铸造 侵蚀剂:电解浸蚀 组织说明:全共晶组织(含氧0.39%) |
|
|
|
放大倍率:200× 合金牌号:紫铜 工艺条件:铸造 侵蚀剂:未浸蚀 组织说明:过共晶组织大块灰色者为Cu2O初晶 |
|
|
|
放大倍率:200× 合金牌号:T2 工艺条件:热挤压棒 侵蚀剂:未浸蚀 组织说明:Cu2O呈颗粒状分布 |
|
(a) (b)
|
|
放大倍率:200× 合金牌号:紫铜 工艺条件:加工状态 侵蚀剂:未浸蚀 组织说明:含氧量分别为0.035%和0.09% |
|
|
|
放大倍率:200× 合金牌号:TU1 工艺条件:挤压后820~840℃/20min氢气退火 侵蚀剂:未浸蚀(试样经电解抛光制备) 组织说明:因不含氧经氢气退火后表面不出现裂纹 |
|
|
|
放大倍率:200× 合金牌号:TU1 工艺条件:挤压后820~840℃/20min氢气退火 侵蚀剂:未浸蚀(试样经电解抛光制备) 组织说明:由于内部含氧,试样表面部分晶界出现开裂 |
|
(a) (b)
|
|
放大倍率:200× 合金牌号:TU1 工艺条件:挤压后820~840℃/20min氢气退火 侵蚀剂:未浸蚀(试样经电解抛光制备) 组织说明:试样含氧较多,经氢气退火后表面严重开裂。其中(a)用电解抛光制备;(b)用机械抛光制备 |
|
|
|
放大倍率:70× 合金牌号:TU1 工艺条件:先经800℃/50min空气退火再做上述氢气退火 侵蚀剂:未浸蚀(试样经电解抛光制备) 组织说明:试样本不含氧,但高温退火时表面渗氧,经氢气退火后边部出现裂纹 |
|
|
|
放大倍率:200× 合金牌号:TU1 工艺条件:挤压棒经氢气退火 侵蚀剂:未浸蚀 组织说明:试样内部并无氧,但由于制备时锯口变形层未予锉净经氢气退火后被锯切氧化的金属出现“假”裂纹 |
|
|
|
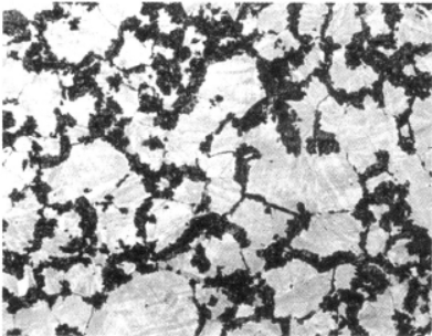
放大倍率:200× 合金牌号:T2 工艺条件:冷轧板在820~840℃氢气退火1h 侵蚀剂:三氯化铁酒精溶液 组织说明:由于试样含氧较高,经氢气退火后表面起泡。内部晶界(亦有晶内)出现大量空洞,个别已连成晶界裂纹 |
|
|
|
放大倍率:120× 合金牌号:Cu-P中间合金 工艺条件:铸造 侵蚀剂:三氯化铁酒精溶液 组织说明:Cu-P亚共晶组织α+(α+Cu3P)。由于冷却速度较快,共晶体细密 |
|
|
|
放大倍率:200× 合金牌号:Cu-P中间合金 工艺条件:铸造 侵蚀剂:三氯化铁酒精溶液 组织说明:放射状共晶组织 |
|
|
|
放大倍率:200× 合金牌号:Cu-S 工艺条件:铸造 侵蚀剂:未侵蚀 组织说明:颗粒状的Cu2S呈网状分布于α相基体 |
|
|
|
放大倍率:200× 合金牌号:Cu-Bi(含Bi9.4%) 工艺条件:铸造 侵蚀剂:三氯化铁酒精溶液 组织说明:铜-铋共晶呈网状分布于α-相基体 |
|
|
|
放大倍率:200× 合金牌号:Cu-Ti中间合金(含Ti0.28%) 工艺条件:铸造 侵蚀剂:三氯化铁酒精溶液 组织说明:基体为(α+Cu3Ti)共晶,白色块状为Cu3Ti相 |
|
(a)
(b) |
|
放大倍率:(a)200×;(b)400× 合金牌号:Cu-As中间合金 工艺条件:铸造 侵蚀剂:氢氧化按双氧水溶液 组织说明:(a)基体为(α+Cu3As)共晶,白色卵形和块状相α初晶,(b)为α组织的放大 |
|
|
|
放大倍率:400× 合金牌号:Cu-Ce 工艺条件:铸造 侵蚀剂:硝酸高铁酒精溶液 组织说明:α+Cu6Ce化合物,Cu6Ce分布于晶内及晶界 |
|
(a) (b)
(c) |
|
放大倍率:120× 合金牌号:Cu-Al中间合金 工艺条件:铸造(铸造试样经850℃退火) 侵蚀剂:三氯化铁酒精溶液 组织说明: (a)含铝:10.20%,α+(α+γ2)亚共析组织 (b)含铝:11.93%,全为层状珠光体型(α+γ2)共析组织
|
|
|
|
放大倍率:75× 合金牌号:Cu-Cr中间合金 工艺条件:铸造 侵蚀剂:硝酸高铁酒精溶液 组织说明:α(α+Cr)共晶+Cr,Cr相呈星花状 |
|
|
|
放大倍率:200× 合金牌号:Cu-B中间合金 工艺条件:铸造 侵蚀剂:硝酸高铁酒精溶液 组织说明:含B4~6%,块状为富硼相 |
|
|
|
放大倍率:100× 合金牌号:TAg0.1 工艺条件:半连续铸造 侵蚀剂:硝酸高铁酒精溶液 组织说明:呈明显树枝状偏析,枝晶间有细小低熔点质点 |
|
|
|
放大倍率:100× 合金牌号:TAg0.1 工艺条件:带材轧制后退火 侵蚀剂:硝酸高铁酒精溶液 组织说明:充分再结晶组织,少量质点,银铜中加入其他元素,比如Zr或Cr,基体中将析出细小弥散的Cu3Zr或单质Cr质点,使基体强化 |
|
|
|
放大倍率:200× 合金牌号:TTe0.5 工艺条件:半连续铸造 侵蚀剂:硝酸高铁酒精溶液 组织说明:轻微树枝状偏析,Cu2Te相呈颗粒状均匀分布 |
|
(a)
(b) |
|
放大倍率:500× 合金牌号:TTe0.5 工艺条件:挤压棒材 侵蚀剂:硝酸高铁酒精溶液 组织说明:基体为再结晶组织,(a)Cu2Te相呈颗粒状均匀分布;(b)Cu2Te相呈长条状沿加工方向拉长 |
|
|
|
放大倍率:2/3× 合金牌号:TZr0.2 工艺条件:半连续铸造 侵蚀剂:硝酸水溶液 组织说明:边部为柱状晶区,中心等轴晶较大 |
|
|
|
放大倍率:350× 合金牌号:TZr0.5 工艺条件:半连续铸造 侵蚀剂:硝酸高铁酒精溶液 组织说明:基体为α-相,晶界及晶内灰色物为(α+Cu3Zr)共晶体 |
|
|
|
放大倍率:200× 合金牌号:TZr0.2 工艺条件:拉制棒 侵蚀剂:硝酸高铁酒精溶液 组织说明:基体为α-相,(α+Cu3Zr)沿加工方向分布,有时呈单独的Cu3Zr相 |
|
|
|
放大倍率:400× 合金牌号:TFe1.5 工艺条件:半连续铸造 侵蚀剂:硝酸高铁酒精溶液 组织说明:基体为α-相,颗粒及黑色质点均为Fe-相 |
|
|
|
放大倍率:200× 合金牌号:TFe1.5 工艺条件:挤制棒于1060℃保温2h水淬 侵蚀剂:硝酸高铁酒精溶液 组织说明:晶粒长大,大部分Fe-相溶入α-相中 |
|
(a) (b)
|
|
放大倍率:(a)200×;(b)500× 合金牌号:TFe2.5 工艺条件:半连续铸造 侵蚀剂:硝酸高铁酒精溶液 组织说明:晶内有大量弥散质点,晶界出现颗粒状物。图(b)为图(a)的进一步放大,质点更加明显,晶界颗粒多呈圆形、块状、长条状及星花状等,为未熔化完的铁颗粒 |
|
(a) (b)
(c) |
|
放大倍率:(a)(b)200×;(c)500× 合金牌号:TFe2.5 工艺条件:热轧板 侵蚀剂:硝酸高铁酒精溶液 组织说明:热轧后基体再结晶,大部分Fe-相溶入α-相中。铁含量较高,熔炼时未熔化完,形成较大颗粒,有些呈星花状、块状,个别沿加工方向呈短条状。热轧加热不充分或水淬效果差,易使组织中出现较多细小富铁相颗粒 |
|
|
|
放大倍率:200× 合金牌号:TFe2.5 工艺条件:冷轧退火M态 侵蚀剂:硝酸高铁酒精溶液 组织说明:析出细小弥散质点,经标定为Fe2P。TF0.1、TFe1.0、TFe1.5、TFe2.5等合金析出相均为Fe2P,少量Fe3P,组织中还可能出现少量富铁质点 |
|
|
|
放大倍率:100× 合金牌号:TMg0.4 工艺条件:退火 侵蚀剂:硝酸高铁酒精溶液 组织说明:单相α组织,含镁量较少,未发现Cu2Mg相 |
|
(a) (b)
|
|
放大倍率:(a)200×;(b)500× 合金牌号:TSn0.4 工艺条件:半连续铸造 侵蚀剂:硝酸高铁酒精溶液 组织说明::轻微树枝状偏析,基体为单相α组织,枝晶间有少量低熔点物,图中呈不规则片块状散乱聚集的为SnO2夹杂,图(b)为图(a)的放大,夹杂特征清晰可见 |
|
|
|
放大倍率:200× 合金牌号:TUAl0.12 工艺条件:等静压高温烧结 侵蚀剂:硝酸高铁酒精溶液 组织说明:弥散铜经等静压高温烧结的粉末颗粒特征,空隙较多 |
|
(a) (b)
|
|
放大倍率:(a)200×;(b)500× 合金牌号:TMAl0.6 工艺条件:R状态,横向 侵蚀剂:硝酸高铁酒精溶液 组织说明:弥散铜经挤压后质点弥散分布,组织致密,空隙较少 |
|
(a) (b)
|
|
放大倍率:(a)200×;(b)500× 合金牌号:TMAl0.6 工艺条件:R状态,纵向 侵蚀剂:硝酸高铁酒精溶液 组织说明:弥散铜基体组织沿加工方向拉长,组织致密,空隙较少,Al2O3质点弥散分布 |
|
|
|
放大倍率:50000× 合金牌号:TMAl0.6 工艺条件:冷拉拔态 侵蚀剂:FeCl3酒精溶液 组织说明:TEM明场像,Al2O3颗粒平均直径在10~20nm之间,经标定为Al2O3质点 |
|
|
|
放大倍率:2/3× 合金牌号:TCr0.5 工艺条件:半连续铸造 侵蚀剂:硝酸水溶液 组织说明:晶粒较粗大 |
|
(a) (b)
|
|
放大倍率:(a)120×;(b)600× 合金牌号:TCr0.5 工艺条件:半连续铸造 侵蚀剂:硝酸高铁酒精溶液 组织说明:基体为α相,(α+Cr)共晶体呈网状分布。(b)为(a)放大,明显观察到共晶体中的Cr相 |
|
|
|
放大倍率:450× 合金牌号:TCr0.5 工艺条件:挤压棒 侵蚀剂:硝酸高铁酒精溶液 组织说明:基体为α相,颗粒状的Cr相沿加工方向分布 |
|
|
|
放大倍率:400× 合金牌号:TCr0.5 工艺条件:拉伸棒 侵蚀剂:硝酸高铁酒精溶液 组织说明:Cr相呈颗粒状分布于变形的α基体上 |
|
(a) (b)
|
|
放大倍率:400× 合金牌号:TCr0.5 工艺条件:(a)为挤压棒于1045~1065℃保温3h淬火;(b)为淬火后于500℃下时效1h 侵蚀剂:硝酸高铁酒精溶液 组织说明:合金经高温长时间保温后晶粒长大,而仍有部分Cr相未溶入α相中,此时显微硬度为63~66,时效后组织与淬火组织无明显改变,但显微硬度却提高到137~148 |
|
(a) (b)
|
|
放大倍率:(a)200×;(b)500× 合金牌号:TCr0.8 工艺条件:铸态 侵蚀剂:硝酸高铁酒精溶液 组织说明:组织为α+Cr+(α+Cr)网状共晶,箭头所示为(α+Cr)共晶,Cr颗粒均以弥散质点状和颗粒状分布于α基体上 |
|
(a) (b)
|
|
放大倍率:(a)100×;(b)200× 合金牌号:TCr0.8 工艺条件:挤压 侵蚀剂:硝酸高铁酒精溶液 组织说明:组织为α相+Cr颗粒,基体α已再结晶,Cr颗粒均以颗粒状沿加工方向分布于α基体上 |
|
(a) (b)
(c)
|
|
放大倍率:(a)(b)500×;(c)1000× 合金牌号:CuCr1Zr 工艺条件:挤制棒,(a)横向,(b)纵向,(c)纵向 侵蚀剂:硝酸高铁酒精溶液 组织说明:α+Cr+Cu3Zr,Cr呈浅灰色颗粒状,Cu3Zr呈球状分布,纵向有沿加工方向拉长分布特征 |
|
(a)
(b) |
|
放大倍率:(a)200×;(b)500× 合金牌号:CuCr1Zr 工艺条件:挤制棒1000℃水淬 侵蚀剂:硝酸高铁酒精溶液 组织说明:晶界有大量(α+ Cu3Zr)聚集,Cr呈灰色颗粒状、晶内Cu3Zr呈球状 |
|
(a) (b)
(c) (d)
(e) |
|
放大倍率:(a)100×;(b)(c)200×;(d)(e)500× 合金牌号:TNi2.4-0.6-0.5 工艺条件:挤压棒Ø28mm 侵蚀剂:硝酸高铁酒精溶液 组织说明: (a)充分再结晶组织,晶粒度为0.020mm; (b)、(c)进一步放大后发现有点状、纺锤状第二相分布在基体上,不同部位晶粒大小有差异; (d)、(e)高倍下,第二相沿挤压方向呈断续条状分布,经分析为含镍硅等的化合物 |
|
|
|
放大倍率:100× 合金牌号:TNi2.4-0.6-0.5 工艺条件:880℃/2.5h固溶 侵蚀剂:硝酸高铁酒精溶液 组织说明:充分固溶,完全再结晶组织 |
|
(a) (b)
|
|
放大倍率:(a)200×;(b)500× 合金牌号:TNi2.4-0.6-0.5 工艺条件:Ø24mm棒材,固溶后(a)480℃/1.5h时效,(b)500℃/2h时效 侵蚀剂:硝酸高铁酒精溶液 组织说明:经时效后析出弥散细小的Ni2Si相,光学显微镜下未发现Cr相 |
|
|
|
放大倍率:120× 合金牌号:TBe2.0 工艺条件:铸造 侵蚀剂:硝酸高铁酒精溶液 组织说明:基体为α相,黑色(α+γ)共析体呈树枝状分布 |
|
|
|
放大倍率:200× 合金牌号:TBe2.0 工艺条件:铸造试样于780℃保温1h淬火 侵蚀剂:二氯化铜氨水溶液 组织说明:灰色基体为α相,白色块状及黑色颗粒状为β相,(α+γ)相在高温下相变为β相,淬火后得以保留 |
|
|
|
放大倍率:200× 合金牌号:TBe2.0 工艺条件:热压板 侵蚀剂:硝酸高铁酒精溶液 组织说明:基体为α相,黑色条状为(α+γ)共析体。铸锭在高温下变形,β相沿加工方向拉长并相变成(α+γ) |
|
|
|
放大倍率:200× 合金牌号:TBe2.0 工艺条件:热轧板经780℃保温1h淬火 侵蚀剂:二氯化铜氨水溶液 组织说明:灰色基体为α相,亮白色为β相,已有部分溶入基体 |
|
|
|
放大倍率:200× 合金牌号:TBe2.0 工艺条件:热轧板经780℃保温2h淬火 侵蚀剂:铬酐水溶液电解侵蚀 组织说明:β相全部溶入基体,α相晶粒进一步长大 |
|
|
|
放大倍率:200× 合金牌号:TBe2.0 工艺条件:热轧板经870℃保温1h淬火 侵蚀剂:二氯化铜氨水溶液 组织说明:由于淬火温度过高产生过烧,晶界及晶内局部发生复熔。图中基体为α相,白色块状为β相 |
|
|
|
放大倍率:200× 合金牌号:TBe2.0 工艺条件:780℃淬火后于320℃时效2h 侵蚀剂:1%铬酸水溶液电解 组织说明:基体为α相,黑色物为析出的γ相在晶界的聚集 |
|
|
|
放大倍率:200× 合金牌号:TBe2.0 工艺条件:淬火后冷轧再于320℃时效2h 侵蚀剂:1%铬酸水溶液电解 组织说明:α相晶粒变形,晶内有滑移带,晶界上有γ相(黑色)析出 |
|
|
|
放大倍率:200× 合金牌号:TBe2.0 工艺条件:合金淬火后于350℃时效 侵蚀剂:1%铬酸水溶液电解 组织说明:由于时效温度过高保温时间过长,黑色γ相大量在晶界聚集球化形成过时效组织 |
|
|
|
放大倍率:400× 合金牌号:TBe2.0 工艺条件:热轧板于800℃下保温2h后炉冷至室温 侵蚀剂:硝酸高铁酒精溶液 组织说明:缓慢冷却使γ相从β相及α相中得到充分的析出、聚集。图中颗粒状及点状均为γ相 |
|
|
|
放大倍率:400× 合金牌号:TBe2.0 工艺条件:热轧板于780℃下保温2h淬火在520℃下时效16h 侵蚀剂:硝酸高铁酒精溶液 组织说明:由于时效温度过高,时间长,使β-相发生β→(α+γ)的共析转变。在α相基体上也有大量γ相的脱溶 |
|
|
|
放大倍率:400× 合金牌号:TBe2.5 工艺条件:热轧板于780℃下保温2h淬火在320℃下时效2h 侵蚀剂:二氯化铜氨水溶液 组织说明:合金淬火后时效发生,相自α相的脱溶,α相因时效应力产生沿{110}面的滑移变形,故出现了波纹状组织,图中γ相已在晶界首先析出,而β相尚未发现明显分解,但此时合金强度已得到很大提高 |
|
|
|
放大倍率:200× 合金牌号:TBe1.9 工艺条件:780℃淬火后于320℃时效2h(软时效) 侵蚀剂:1%铬酸水溶液电解侵蚀 组织说明:α相有波纹组织,晶界有少量γ相析出 |
|
|
|
放大倍率:200× 合金牌号:TBe1.9 工艺条件:780℃淬火后冷轧(ε=33%)再经320℃时效2h 侵蚀剂:1%铬酸水溶液电解侵蚀 组织说明:α相为变形组织,晶界有少量γ相析出,而颗粒状β相尚未分解 |
|
|
|
放大倍率:200× 合金牌号:TBe2.0 工艺条件:冷轧板于780℃保温1h水淬 侵蚀剂:硝酸高铁酒精溶液侵蚀后二氯化铜氨水溶液擦拭 组织说明:β相分布不均并呈链条状 |
|
|
|
放大倍率:200× 合金牌号:TBe2.0 工艺条件:淬火后冷轧 侵蚀剂:二氯化铜氨水溶液 组织说明:由加工热处理不当造成β相呈链条状分布 |
|
|
|
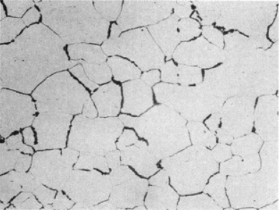
放大倍率:1/2× 合金牌号:TTi3.5 工艺条件:半连续铸造小圆锭 侵蚀剂:硝酸水溶液 组织说明:全为等轴晶,中心较粗大 |
|
(a) (b)
|
|
放大倍率:(a)200×;(b)500× 合金牌号:钛铜(含Ti6.0%,Al1%) 工艺条件:铸造 侵蚀剂:三氯化铁丙酮溶液 组织说明:(a)基体为具有树枝状偏析的α相,枝晶间有块状及层片状的Cu3Ti相。(b)为(a)的局部放大,由显微压痕可见Cu3Ti相比基体硬 |
|
|
|
放大倍率:200× 合金牌号:钛铜(含Ti 6.0%,Al 1%) 工艺条件:挤压 侵蚀剂:三氯化铁酒精溶液 组织说明:基体为α相,Cu3Ti相沿加工方向拉长变形 |
|
|
|
放大倍率:200× 合金牌号:TTi3.5 工艺条件:挤制品850℃保温30min水淬 侵蚀剂:三氯化铁酒精溶液 组织说明:α单相晶粒。此时Rm为200~250MPa,A为45%~48%,Z为60.5%~72% |
|
|
|
放大倍率:200× 合金牌号:TTi3.5 工艺条件:棒材经淬火后拉伸 侵蚀剂:三氯化铁酒精溶液 组织说明:晶粒已变形,晶内出现滑移带,基体有少量的Cu3Ti相。此时Rm为690~720MPa,A为11%~13%,Z为57%~59.5% |
|
|
|
放大倍率:200× 合金牌号:TTi3.5 工艺条件:棒材经淬火后拉伸并随后作时效处理 侵蚀剂:三氯化铁酒精溶液 组织说明:晶粒组织无明显变化,但强度明显上升。Rm为900~1050MPa,Rm0.2=800~880MPa,A11.3为7%~9% |
|
|
|
放大倍率:400× 合金牌号:TCd1.0 工艺条件:半连续铸造 侵蚀剂:硝酸高铁酒精溶液 组织说明:基体为α-相,灰色颗粒为Cu2Cd相,此相极易在抛光侵蚀过程中剥落 |
|
|
|
放大倍率:200× 合金牌号:TCd1.0 工艺条件:挤压棒 侵蚀剂:硝酸高铁酒精溶液 组织说明:基体为带双晶的α相,Cu2Cd颗粒较小且易剥落,故图中多为小黑点,有沿加工方向分布特征 |
> Nimonic80A镍基高温合金 2024-12-17
> GH4145一种耐腐蚀、耐氧化 2024-12-17
> GH4169一种以Fe-Ni-Cr为基沉 2024-12-17
> GH3625合金在使用温度达 2024-12-17
> GH3600(GH600)镍铬基高温 2024-12-17
> GH2132一种以Fe-Ni-Cr为基的 2024-12-17
> GH2901固溶硬化型变形高温 2024-12-17
上一篇:1Cr18Ni9Ti对应标准
下一篇: 1.4571一X6CrNiMoTi17-12-2(SUS316Ti)316Ti不锈钢
返回























